70-5/8 - Piston Vibrator



RECOMMENDED ACCESSORIES

26102 - 1/4" Inline Lubricator

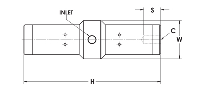
Dimensions

C* 5/16-24
W 1-1/8 in
29 mm
H 4-11/16 in
119 mm
INLET 1/8 NPT
* Bolt Size

Tech Data

40 psi
VPM 9500
CFM 2.5
60 psi
VPM 12000
CFM 3
80 psi
VPM 14500
CFM 4.5
Max Lbs Material in Bin Up to 100

High Impact Choice


VIBCO Piston Vibrators provide high impact and efficient energy transfer to ensure a smooth flow of material through bins, chutes, weigh batchers and other bulk material applications. Ideal for heavy industry, mining, chemical plants, plastics, manufacturing, foundries and paper plants, VIBCO's Pneumatic Piston Vibrators are reliable, durable, and guaranteed to perform.

VIBCO is the only vibrator manufacturer that offers One-Piece design and All-Steel models of flange-mounted piston vibrators in standard and silent models. VIBCO's Silent Piston Vibrators are air-cushioned to minimize noise while still providing the necessary force. We also offer light-weight, low cost "Big Red" End-Mounted Piston Vibrators and continuous duty High Energy Impactors.

All VIBCO Piston Vibrators require lubricated air.

Made In The USA 50 Years


US Flag 

VIBCO Vibrators™ are 100% MADE IN THE USA since 1962.

Top Quality, Fastest Delivery

  • 100% Manufactured in the USA
  • Strict quality standards
  • Available and in-stock
  • Same day or next day shipping
  • Made with pride since 1962

Not Sure? How can we help you?

Call UsOn the Job PhotosVIBCO TV 

Customer Testimonials

CALL NOW: 800-633-0032